Корзина 0
Список сравнения 0 Список желаний 0
Вы смотрели 1
Личный кабинет
Меню
Наш адрес: г. Минск, ул. Фабрициуса 7
г. Минск, ул. Фабрициуса 7
Пн-пт: 9:00 - 19:00
Сб: 10:00 - 16:00
Вс: Выходной
Info@mir-para.by
Навигатор - 53.889413, 27.537480
0.00 р.

Насос циркуляционный Unipump PF3 65-180 340 3-х скоростной

Производители UNIPUMP
Код товара: 101.21406
Отзывы: (0)
Нет в наличии
0.00 р.
Характеристики: (смотреть все)
Качество воды
Чистая
Количество скоростей работы насоса
3
Максимальная подача, м3/ч
43,5
Максимальный напор, м
18,2
Материал корпуса насоса
Чугун

Описание Насос циркуляционный Unipump PF3 65-180 340 3-х скоростной

Циркуляционные насосы серии PF и PF3 предназначены для организации принудительной циркуляции теплоносителя в системах отопления, охлаждения и кондиционирования воздуха. Они применяются как в жилых, так и в административных и производственных зданиях — в системах с постоянным или переменным расходом теплоносителя. Насосы оснащены трехступенчатым регулятором скорости и электродвигателем с «мокрым» ротором, обеспечивающим надежную и тихую работу. Модели серии PF рассчитаны на подключение к однофазной сети ~ 230 В, а серия PF3к трехфазной сети 3~400 В.

Особенности

  • Окружающий воздух: температура от +1 до +40 °С, влажность не более 80%.
  • Перекачиваемая жидкость: подготовленная вода, охлаждающие и низкозамерзающие жидкости, а также среды, неагрессивные к материалам насоса, невязкие, негорючие, без твердых и волокнистых включений.
  • Температура жидкости: от -10 до +110 °С.
  • Максимальное содержание этилен/пропиленгликоля: до 50%.
  • Допустимый диапазон pH: 6,5–8,5.
  • Максимальное рабочее давление: до 10 бар.

Насосы для воды в рассрочку, Насосы UNIPUMP

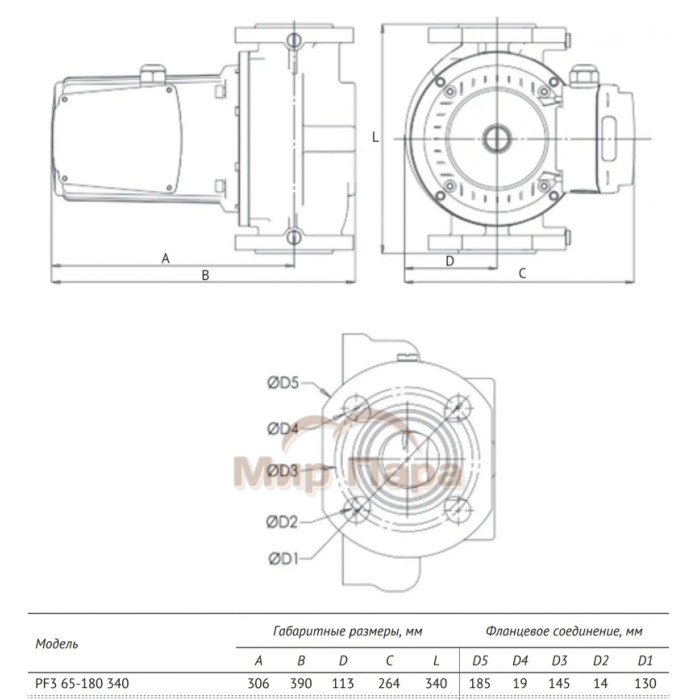
Размеры
Монтажная длина, мм
340
Присоединение
Фланцевое
Присоединительные размеры
DN65 PN10
Длина, мм
340
Высота, мм
390
Ширина, мм
264
Вес, кг
36,78
Характеристики
Качество воды
Чистая
Количество скоростей работы насоса
3
Максимальный напор, м
18,2
Материал корпуса насоса
Чугун
Напряжение в сети, В
380
Рабочее давление
макс. 10 бар
Производительность
Максимальная подача, м3/ч
43,5
Потребляемая мощность, Вт
1850
Производительность, л/мин
725
Особенности
Назначение
Отопление
Температура перекачиваемой жидкости
-10… +110°C
Тип ротора
Мокрый
Тип насоса
Циркуляционные
Элемент
Насос
Общие
Метод установки
Поверхностный
Страна производства
Китай
Гарантия, мес
24
Отзывы
0/ 5
средний рейтинг товара
0
0
0
0
0
Нет отзывов о данном товаре. Станьте первым, оставьте свой отзыв.

Нет вопросов о данном товаре, станьте первым и задайте свой вопрос.

Рекомендуемые
Вы смотрели
Насос циркуляционный Unipump PF 50-180 280 3-х скоростной
0
Код товара: 101.21397
0.00 р.