Корзина 0
Список сравнения 0 Список желаний 0
Личный кабинет
Меню
Наш адрес: г. Минск, ул. Фабрициуса 7
г. Минск, ул. Фабрициуса 7
Пн-пт: 9:00 - 19:00
Сб: 10:00 - 16:00
Вс: Выходной
Info@mir-para.by
Навигатор - 53.889413, 27.537480
0.00 р.

Насос циркуляционный Unipump PF 50-180 280 3-х скоростной

Производители UNIPUMP
Код товара: 101.21397
Отзывы: (0)
Нет в наличии
0.00 р.
Характеристики: (смотреть все)
Качество воды
Чистая
Количество скоростей работы насоса
3
Максимальная подача, м3/ч
23,6
Максимальный напор, м
17,8
Материал корпуса насоса
Чугун

Описание Насос циркуляционный Unipump PF 50-180 280 3-х скоростной

Циркуляционные насосы серии PF предназначены для организации принудительной циркуляции теплоносителя в системах отопления, охлаждения и кондиционирования воздуха. Они применяются как в жилых, так и в административных и производственных зданиях — в системах с постоянным или переменным расходом теплоносителя.

Насосы оснащены трехступенчатым регулятором скорости и электродвигателем с «мокрым» ротором, обеспечивающим надежную и тихую работу. Модели серии PF рассчитаны на подключение к однофазной сети ~230 В.

Рабочие условия

  • Окружающий воздух: температура от +1 до +40 °С, влажность не более 80%.
  • Перекачиваемая жидкость: подготовленная вода, охлаждающие и низкозамерзающие жидкости, а также среды, неагрессивные к материалам насоса, невязкие, негорючие, без твердых и волокнистых включений.
  • Температура жидкости: от -10 до +110 °С.
  • Максимальное содержание этилен/пропиленгликоля: до 50%.
  • Допустимый диапазон pH: 6,5–8,5.
  • Максимальное рабочее давление: до 10 бар.

Насосы для воды в рассрочку, Насосы UNIPUMP

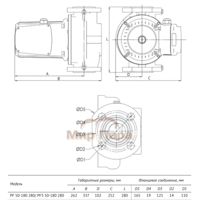
Размеры
Монтажная длина, мм
280
Присоединение
Фланцевое
Присоединительные размеры
DN50 PN10
Длина, мм
280
Высота, мм
337
Ширина, мм
252
Вес, кг
31,36
Характеристики
Качество воды
Чистая
Количество скоростей работы насоса
3
Максимальный напор, м
17,8
Материал корпуса насоса
Чугун
Напряжение в сети, В
220
Рабочее давление
макс. 10 бар
Производительность
Максимальная подача, м3/ч
23,6
Потребляемая мощность, Вт
1210
Производительность, л/мин
393,33
Особенности
Назначение
Отопление
Температура перекачиваемой жидкости
-10… +110°C
Тип ротора
Мокрый
Тип насоса
Циркуляционные
Элемент
Насос
Общие
Метод установки
Поверхностный
Страна производства
Китай
Гарантия, мес
24
Отзывы
0/ 5
средний рейтинг товара
0
0
0
0
0
Нет отзывов о данном товаре. Станьте первым, оставьте свой отзыв.

Нет вопросов о данном товаре, станьте первым и задайте свой вопрос.

Рекомендуемые